6A-SP Slam to Lock Mortice
The 6A-SP Slam to Lock Mortice is a door lock designed for residential front doors. It supports automatic locking when the door is closed and manual unlocking via key or handle, while meeting GA 374-2019 security standards.

Product Specifications
Dimensions & Build
- Maximum lock body dimensions: 180 × 95 × 20 mm (excluding side strips)
- Lock body shell complies with GA 374-2019 Class B requirements
- Side strip dimensions: 240 × 24 × 2.5 mm
- Square shaft positioning:
- 60 × 68 mm spacing (aligned with deadbolt centre)
⚠️ For lock thickness exceeding 21 mm, additional installation considerations are required.
Key Features
Lock Mechanism
- Square shaft hole size: 8 × 8 mm (+0.2 / 0)
- Lock/unlock rotation tolerance: ±33°
- Retractable latch and main bolt (press-down mechanism)
Deadbolt Functionality
- Supports 8 × 2 mm flat bar drive
- Compatible with 5 × 5 square shaft systems
- Includes anti-lock safety function
- Knob rotation: clockwise & counterclockwise
Latch System
-
Assisted lobed tongue mechanism for quick reversing
- Extended width: +1 mm vs standard latch
- Includes:
- Main locking bolt ✔
- Secondary locking tongue ✔
- False hook system ✔
Operational Logic
- Independent deadbolt prevents external forced entry
- Key unlocks both latch and main bolt
- Press-down handle opens the door
Installation Guidelines
Door Compatibility
Suitable for:- Indoor iron doors (primary)
- Wooden doors (secondary)
Application: Home front door systems
Compatible Lock Types
- Can replace existing locks:
- Standard
- BaWang
- WangLi
(via side strip replacement)
Cylinder Requirements
- Compatible with standard lever lock cylinders
- Cylinder external dimensions: 16.2 – 17 mm
Fixing Requirements
- Use stainless steel screws (≤ 70 mm)
Performance & Standards
Compliance
- Designed according to:
- GA 374-2019 – Electronic Anti-theft Locks (Level A)
Environmental Resistance
- Exterior materials must:
- Pass 24-hour salt spray test (no rust)
- Meet Level 6 durability standards
Noise Level
- Operational noise: < 70 dB
Additional Features
- Minimal internal latch gap (improves sealing & precision)
- External fast reversing mechanism
- Stable structural performance under pressure testing
Installation and Compatibility
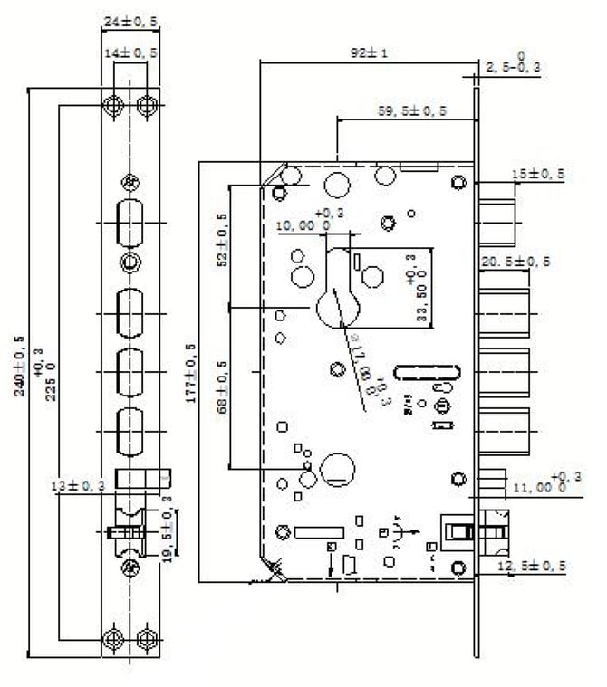
This mortise lock is manufactured to standard dimensions, with a specification size of 60 × 68 mm and a lock body panel size of 240 × 24 mm.
It is suitable for home entrance doors and security doors, and can be installed on both iron gates (main doors) and wooden doors. The lock supports multiple configurations, as the original side strip can be replaced to ensure compatibility with systems such as Standard, Overlord, and King Power.
Installation Dimensions

The lock body is engineered with precise tolerances to ensure accurate fitting and stable operation.
Key dimensions include a panel width of 24 ± 0.5 mm, internal spacing of 14 ± 0.5 mm, lock body height of 68 ± 0.5 mm, and total structural height of 177 ± 0.5 mm. The overall depth is 92 ± 1 mm.
Bolt projection measurements are 15 ± 0.5 mm and 20.5 ± 0.5 mm. Additional machining tolerances include 2.5 mm (−0.2), 11.00 mm (+0.2), and 12.5 ± 0.5 mm. These specifications ensure proper alignment, installation accuracy, and long-term mechanical stability.
Materials and Construction
All materials comply with GA374-2019 and GA/T73-2015 Grade A standards.
The lobed tongue is manufactured from 304 stainless steel using powder injection. The side strip is stainless steel with a reference thickness of 2.5 mm (−0.3 mm tolerance), finished with polishing and brushing.
The main lock tongue and auxiliary deadbolt are also constructed from stainless steel for strength and durability.
The upper and lower boards are made from a 1.0 mm electrolytic plate with a tolerance of ±0.15 mm. The upper and lower hook components are produced from galvanised sheet material.
Internal components use galvanised sheet or white zinc plating to provide corrosion resistance and extended service life.
Mechanical Performance Standards
This lock meets the requirements of National Standard GA374-2019.
The oblique tongue withstands a lateral static pressure of 1000 N. The main locking tongue supports 3000 N lateral static pressure and 1000 N axial static pressure. The safety tongue withstands 1000 N lateral pressure.
The square body has a breaking torque greater than 50 Nm, while the safety dial has a destructive torque exceeding 12 Nm.
The rebound force of the oblique tongue ranges from 3 to 10 N.
The key-operated main bolt requires a maximum torque of less than 1.5 Nm and operates without slippage under axial force and an external force of 15 N. The handle lifting and pressing torque does not exceed 3 Nm.
Lifespan and Durability
The lock is designed for long-term, repeated use.
The tongue opening mechanism has a no-load lifespan of at least 100,000 cycles. The master bolt and lock cylinder each support no less than 100,000 operating cycles.
The safety tongue linkage system is rated for a minimum of 30,000 cycles.
The torque required to open the key latch remains below 1.5 Nm throughout its service life.